ADW300無線計量儀表
功能:
ADW300無線計量儀表主要用于計量低壓網絡的三相有功電能,具有RS485通訊和470MHz無線通訊功能,方便用戶進行用電監測、集抄和管理。可靈活安裝于配電箱內,實現對不同區域和不同負荷的分項電能計量,統計和分析。
應用范圍:
ADW300方便用戶進行用電監測、集抄和管理,可靈活安裝在配電箱中,可用于電力運維、環保監管等在線監測類平臺中。
訂貨范例:
具體型號:ADW300W-LR/KCTL
技術要求:額定電流3×1.5(6)A(ADW300W),3×20(100)A(ADW300W)
通訊協議:C:RS485通訊;LR :Lora
輔助電源:AC220V
技術指標:

產品介紹:



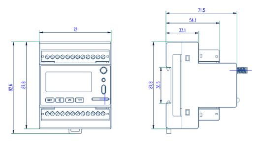
外形尺寸:

產品報價:

上一篇:消防應急照明燈具
下一篇:AAFD-40型故障電弧探測器




掃一掃添加微信