ADW系列導軌式多回路電力儀表功能:

ADW2xx系列導軌式多回路電力儀表主要用于低壓三相回路全電參量測量,同時可選擇四個回路的電流輸入?芍苯踊蜷g接測量電壓、電流、功率、功率因數、相角、不平衡度、諧波等參數。 還可通過其RJ45接口擴展輔助功能,實現DI、DO、測溫、剩余電流測量,以及2G、4G、LoRa、LoRaWan、NB-Lot無線通信功能。

ADW系列導軌式多回路電力儀表

應用范圍:

ADW2xx系列導軌式多回路電力儀表方便用戶進行用電監(jiān)測、集抄和管理?伸`活安裝于配電箱內,實現對不同區(qū)域和不同負荷的分項電能計量,統計和分析。

訂貨范例:

具體型號:ADW200-D10-4S-MK

技術要求:100A

通訊協議:RS485接口、Modbus-RTU協議

輔助電源:AC/DC 85~265V

主要技術參數:

模塊技術參數:

其他技術參數:

產品型號:

ADW2xx系列主體及模塊尺寸圖:

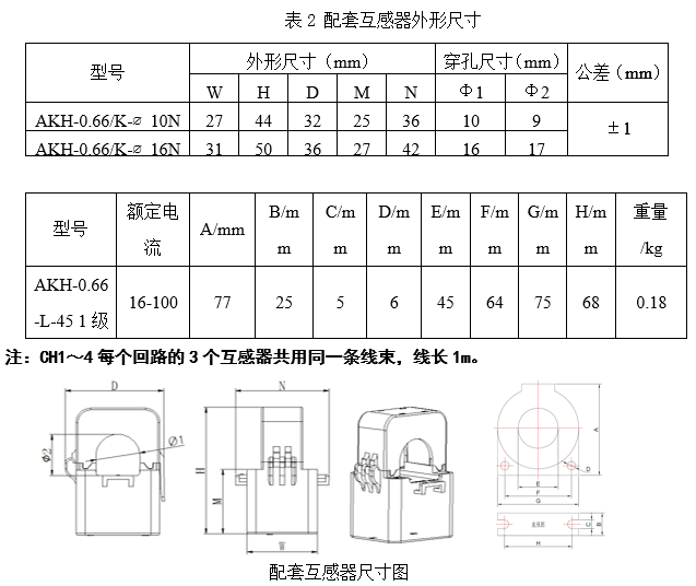
配套互感器外形尺寸:

產品報價